摘要
這是一篇說明轉換速率(Slew Rate, SR)對運算放大器電路造成的影響和限制。如果運算放大器的轉換速率不足,則直接導致輸出電壓波形失真。本文從轉換速率的定義開始,接著說明如何量測轉換速率。由於轉換速率常被工程師忽略,因此本文特別強調此一性能參數對產品應用的限制。
什麼是轉換速率?
轉換速率的定義為輸出電壓在單位時間內的變化速率,通常以單位 V/μs 表示。SR 表示運算放大器輸出電壓變化的速率。亦有文獻使用字母 S 來代表,不過 SR 較為明確。一般的低速運算放大器如 LM2904 的轉化速率介於 0.3 至 0.6V/μs。
轉換速率受到電壓增益的影響,為了統一進行衡量,因此規格書中所示的轉換速率均基於增益為 1 的條件下測量。一般而言,隨溫度升高,轉換速率會增加。
轉換速率常被工程師忽略。 通常高轉換速率的運算放大器具有較高的工作電流。相對地,低轉換速率的運算放大器具有較低的工作電流。因此,在設計低功耗電路時,需特別注意轉換速率是否滿足電路操作的需求。
表 1 列出了德州儀器 5 款不同增益帶寬積(Gain Bandwidth Product, GBW)的運算放大器的轉換速率和每通道靜態電流。一般而言,增益帶寬積愈大,轉換速率愈高,但靜態電流也相對增加。
表1:不同增益帶寬積的運算放大器的轉換速率和靜態電流

如何量測轉換速率?
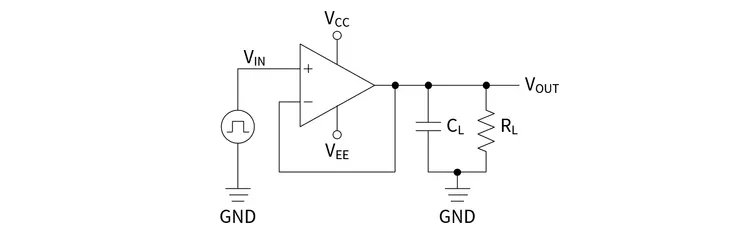
將運算放大器配置為增益為 1 的緩衝器(Buffer),施加一個步階訊號至運算放大器的輸入端,並量測其輸出端的電壓波形,詳見圖 1。量測從 10% 到 90% 的電壓上升所需的時間,並代入公式(1),詳見圖 2。

圖 1:量測運算放大器的轉換速率

圖 2:輸出訊號上升時間因轉換速率限制而延長

轉換速率和全功率帶寬的關係
轉換速率和全功率帶寬(Full Power Bandwidth, FPBW)之間的關係可以透過將正弦波作為輸入訊號來求得所需的轉換速率。


圖 3:正弦波訊號在過零處有最大的斜率
對於一個增益為 1 的非反向放大器,其輸出等於輸入。

轉換速率即為正弦波輸入訊號的斜率,因此可以對上述公式進行微分進行微分


正弦波在其過零點處具有最大的轉換速率,因此將零度代入餘弦函數可得到最大值為 1,此時轉換速率達到最大。

其中,fm 表示訊號最大頻率,Vm 表示運算放大器輸出正弦波的峰值振幅。

其中,Vpp 表示運算放大器輸出正弦波的峰對峰值。
此外,正弦波的振幅為其峰對峰值的一半,得

重新排列方程式的項目,可以得到以下關係:

上式表示了放大器能夠產生不失真輸出的最大頻率。即全功率帶寬。這種帶寬通常描述為增益為 1 時的轉換速率限制帶寬。
轉換速率對電路應用的限制
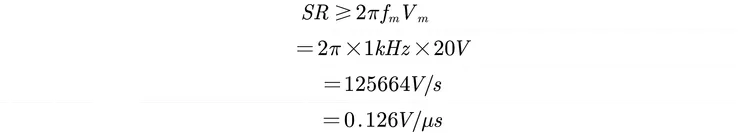
在電路應用中,由於運算放大器的輸出受到轉換速率受的限制。因此必須根據訊號頻率計算所需的最低轉換速率。透過以下公式計算所需要的轉換速率。
例如,訊號最大頻率 fm 為 1kHz,運算放大器輸出電壓範圍為 ±10V,則運算放大器的轉換速率必須大於

注意,由於輸出電壓從 -10V 到 +10V,算式中的 Vm 需要使用峰對峰值 Vpp= 20V 來計算。例如德州儀器的 LM2904 的轉化速率介於 0.3 至 0.6V/μs,因此,超過了 0.126V/μs。
另外,可以根據已選定的運算放大器的轉換速率來計算其支援的最大訊號頻率。

例如,運算放大器輸出電壓範圍為 ±10V,轉換速率為 0.3V/μs,則允許的最大訊號頻率為

如果運算放大器的轉換速率不足,可能會導致輸出電壓波形失真。以德州儀器的 LM2904 為例,當輸入一個峰值為 10V,頻率為 12kHz 的正弦波訊號時,由於轉換速率不足,輸出波形可能會變成三角波,見圖 4。

圖 4:轉換速率的不足造成輸出訊號變為三角波
在同一電路中,輸入一個步階訊號,其輸出波形的斜率即為運算放大器的轉換速率,見圖 5。

圖 5:轉換速率的不足造成輸出信號的上升和下降時間變大
總結
本文介紹了運算放大器的轉換速率概念及其在電路設計中的重要性。轉換速率是描述輸出電壓變化速度的重要參數,直接影響訊號的準確性和波形的保持。文中說明了如何量測轉換速率以及其與全功率帶寬的關係,並強調了選擇適當轉換速率對於避免電路中波形失真的重要性,尤其是在高頻率應用中。














